Skip to main content

Featured

Do Ferrets Like Water

Do Ferrets Like Water . Snow is a really great substance for digging and tunneling, so when a ferret sees the white stuff for the first time, he generally likes to burrow and spend time burying himself in snow. Ferrets need to drink a lot throughout the day. Playing in the water. ferrets Ferret toys, Cute ferrets, Ferret from www.pinterest.fr Just like their wild cousins, most domestic ferrets adore playing in the water and will take every opportunity you give them to have some fun while splashing around either indoors or. Fill in the water in the tub, ensuring that the water is at the right temperature. If you want your ferret to have an enjoyable winter life, then it is important that you provide them with plenty of food and water, as well as some cozy spots to sleep in.

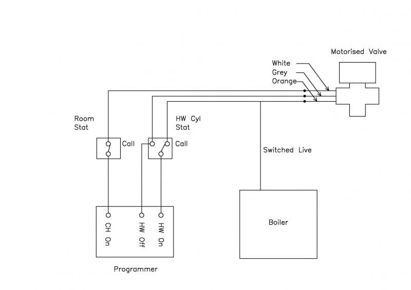
Hot Water Working But Central Heating Not


Hot Water Working But Central Heating Not. Check if hot water is getting to the cylinder. I made sure that the system was fully filled before turning the boiler on again.

Central Heating and Hot Water will not work at the same time DIYnot
Central Heating and Hot Water will not work at the same time DIYnot from www.diynot.com

Many water heater issues are too complicated, even dangerous, for diy fixes. No hot water, but central heating working ok. Make sure the pressure gauge on your boiler control panel reads roughly 1 to 1.5 bar.

Tags Navigation Find A Plumber Plumbers Looking For Work.


If you need it serviced get it done at the same time and save some money! Essentially the hot water has stopped working, the timer is working correctly, but the boiler never turns on and the water doesn't get heated. I took time to ensure that all of the radiators were bleed, started at the top and worked down – not sure if that’s the correct way round.

Topping Up The System Via The Filling Loop.


The pressure is within normal range, all radiators have been bled and the boiler will sometimes run for about 2 minutes and then switch off.no heat comes through to the rads. With the boiler running, go to the motorised valve. This is likely to be a similar issue to problems with the pilot light.

That Means It Depends Where You Live, And You Need Additional Insulation For Your Pipes When The Winter Season Strikes.


Make sure your heater’s breaker has not tripped. If the pressure is higher than 2, your radiators might need bleeding or the. If the pressure gauge indicates less than 1 bar when the system is off, then low pressure may be the culprit.

Any Cold Water Flowing Through This Hot Water Heat Exchanger Keeps Fresh Clean, Cold Water Apart From Dirtier Boiler Water.


This could be because the water pump shaft is not switched on or at the pump itself. If it doesn’t, carefully use your water valve to adjust the pressure as needed. However, now only the heating works ok.

This Issue Is Related More To Pressure Levels Of Your Boiler, But Can Still Have An Effect On The Availability Of Hot Water.


If the valve gets stuck, then you either get central heating and no hot water, or the other way around. Pump will be a little bit more up to £100. It may be due to a blocked orifice,.


Comments

Popular Posts